電話:13570151199
傳真:020-39972520
郵箱:hanyan@hanyancarbon.com
地址:廣東省廣州市番禺區東環街番禺大道北555號天安總部中心30號樓6層
活性炭活化的參數和方法是可以變化的,并且它們影響活性炭的最終特征,例如比表面積,孔徑分布和表面官能團。該研究的結果表明,可以修改微孔率和中孔率,從而改變這些參數。這次我們使用泥炭通過蒸汽物理活化制造活性炭。使用實驗方法的設計評估了該過程。我們使用不同的參數,包括保持時間,爐溫,加熱速率,蒸汽流量,氮氣流量等。基于這些參數來研究活性炭的變化。
準備實驗材料
在這項研究中,使用了一些地區的泥炭。在使用前將樣品在室溫下儲存在密封的塑料容器中。先將泥炭過篩以使材料尺寸均勻化,并在105℃下在機械對流烘箱中干燥過夜。水分百分比計算為初始質量減去干質量并除以初始質量本身。對于原泥炭,該值接近總質量的50%,并且干燥預處理對于減少反應器流出物中的水量是有必要的。
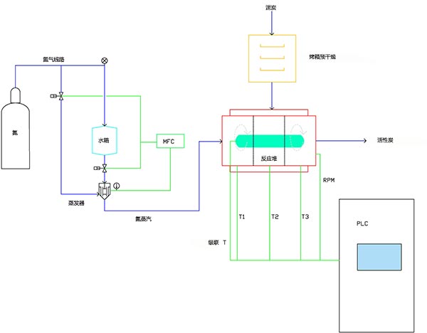
泥炭的碳化和蒸汽活化

在插入管式爐中的旋轉石英反應器中,將樣品的碳化和活化作為組合的一步法進行。在碳化步驟期間,根據DOE,反應器溫度從室溫水平增加到不同的溫度水平和不同的升溫時間。由于連續沖洗保護氣體(氮氣),反應器內的氣氛保持惰性。達到目標溫度后,通過注入蒸汽將惰性氣體轉變為活化氣體(圖1)。在活化步驟之后,將樣品在氮氣中冷卻至室溫過夜,然后回收。一步激活過程的方案如圖2所示。安裝在反應器管的輸入端上的質量流量調節器控制保護氣體的流動。活化氣體(蒸汽)在保持在140℃的混合器中制造,并通過質量流量控制器將水加入蒸發器中。使用氮氣作為載體,通過加熱的傳輸線將蒸汽轉移到反應器中。選擇作為因素的工藝參數是保持時間,爐溫,加熱速率,蒸汽流量,轉速,氮氣流量和所用原材料的初始質量。

通過幾種方法表征活性炭,以研究最終產物的孔隙率特征和元素組成。對于孔隙率,評估特定的SSA(BET)和PSD(DFT)。對于元素分析,考慮產物中的總碳,氫,氧和氮含量,和產率作為進一步的參數。
保持時間的影響
對于BET表面,觀察到1至4小時的線性增加,其導致BET表面加倍。對于中孔的較高增加所涉及的孔徑分布響應也發生相同的效果。該結果表明保持時間間隔是孔隙度產生中最重要的參數之一。保留時間對所有元素分析響應的影響減小,所述元素分析響應涉及與產率(29.6%至19.4%)和總碳含量(83.4%至70.7%)相關的證據。該結果與緩慢氧化過程一致,其中碳原子轉化為CO 2保留時間大大減少了氮和氫,而測得的氧量顯示保持時間的減少較小,表明由不同的熱分解引起的兩個參數之間的相關性。
烤箱溫度的影響
根據DFT模型,烘箱溫度從700到800°C略微增加孔隙率,對中孔隙體積的影響更明顯,在100°C間隔內顯示三次增量與微孔率相比。可能的考慮因素是爐溫對形態的影響大于PSD的絕對值。對反應的影響是顯而易見的,特別是在最終活性炭的產率降低和氮含量方面。在氧氣和氫氣的情況下,似乎由于相對高的溫度導致的熱分解增加部分地由來自水的外部氧源和氫氣補償,這可能在活性炭表面上形成復合物并被部分吸附。
蒸汽流量的影響
蒸汽流量作為保持時間對PSD產生類似的影響,所有響應增加,對中孔產量的影響更大(0.054至0.156 cm 3)/G)。該結果表明,用蒸汽進行物理活化是在第一階段中產生微孔的擴展過程,而在第二階段中,形成中孔。蒸汽流速對產率和總碳和氧含量具有非常顯著的影響。氧氣含量受到蒸汽流量的正面影響(從2.77%到3.26%),表明水“氧化”了活性炭,可能在表面產生官能團。未來的研究可以表征這些與蒸汽進料相關的官能團的類型和變化。氫含量的恒定值似乎不受蒸汽流量增加的影響。
加熱速率的影響
加熱速率對吸附性能有一個有趣的影響。當考慮用于該實驗的間隔中的斜坡時間時,該效果不那么相關,這對孔隙率產生的影響非常小,即使最快的斜坡時間似乎稍微有利于微孔隙。加熱速率對所有元素分析響應的影響很小。產率結果特別令人感興趣:在加熱速率范圍內,對于緩慢的加熱速率沒有觀察到改善。相反,緩慢的加熱速率導致最終活性炭產量的損失(23.6與較高速率的25.4%相比)。該結果表明,能量和耗時的斜坡(>1小時)不利于從泥炭中獲得更高產率的活性炭。結論可能是在工業規模上,加熱速率緩慢<用于制造活性炭的13°C / min可能會被放棄,因為它耗費時間和能量。未來的研究可以研究更快的加熱速率(>26°C / min),以確定這個因素是否會對孔隙度產生一些影響。最快的升溫時間似乎有利于最終產品中氧氣的存在,這可能是由于不同的熱分解(例如,氧化絡合物的緩慢氫還原)。
結果表明,主要因素(保持時間,烘箱溫度和蒸汽流量)與孔徑分布之間存在相關性,表明從微孔到中孔的“拓寬”機制。此外,關于元素組成,似乎快速加熱速率和高蒸汽流量增加了碳中的氧含量。氮氣流不影響成品活性炭中的氮含量。在本研究選擇的范圍內,加熱速率對整個過程的微小影響表明,為了制造活性炭,優選快速的一步激活以避免時間和能量消耗低的加熱速率。
文章標簽:椰殼活性炭,果殼活性炭,煤質活性炭,木質活性炭,蜂窩活性炭,凈水活性炭.推薦資訊
- 2025-11-03防一氧化碳霍加拉特劑
- 2025-11-03防汞蒸汽專用炭防放射性碘專用炭
- 2025-11-03防酸專用炭與防氨專用炭
- 2025-11-03防護服專用炭及全防炭的介紹應用
- 2025-10-21活性炭從堿性甘氨酸溶液中吸附鉑
- 2025-10-10活性炭金屬改性對氫的吸附
- 2025-09-29活性炭吸附有機微污染物
- 2025-09-17活性炭去除對羥基苯甲醚
- 2025-09-09活性炭從水溶液中吸附苯酚
- 2025-08-27活性炭從水溶液中分離甲乙酮
- 2025-08-19活性炭對鈷離子的吸附與去除
- 2025-07-30活性炭用于強汞的去除
